hello
www.riderauto.hu vagy http://www.west-autoteka.hu/
Én a westautótól rendeltem, minden rendben volt.
Bence2012-10-30 22:19:46 // 132404
fony722012-10-30 22:08:30 // 132403
Ma ahogy Győr fele vonultam, 2 alkalommal éreztem finom megtorpanást a gépkocsiban :-) . Mi a túró? Valakinél volt már valami hasonló? Épp csak érezhető, 1 pillanat az egész. Gázadáskor ( nem kövér, csak olyan normál) vettem észre.
roberto332012-10-30 19:01:40 // 132402
Sziasztok,
Tudnátok korrekt alsó morortértakaró műanyagot kínáló üzletet ajánlani? '98-as 2.0 TS 156-ba kellene.
Köszi: Rob
Tudnátok korrekt alsó morortértakaró műanyagot kínáló üzletet ajánlani? '98-as 2.0 TS 156-ba kellene.
Köszi: Rob
gecsa2012-10-30 09:34:24 // 132401
ezek a gonosz csavarok...párat már sikerült nekem is elhajtanom mérgemben..:D
JCsabi2012-10-30 09:22:44 // 132400
Hali!
Tippeket várnék a következő hibajelenségre (156 SW 1.9 JTD 8V):
Alapjáraton üresbe járó motornál kisebb rezgéseket észlelek(minimális csörgő hang kíséretében). Ha ráteszem a lábam a kuplungpedálra (nem kell kinyomni, csak épphogy ráteszem) a rezgés és a hang is megszűnik.
Tippeket várnék a következő hibajelenségre (156 SW 1.9 JTD 8V):
Alapjáraton üresbe járó motornál kisebb rezgéseket észlelek(minimális csörgő hang kíséretében). Ha ráteszem a lábam a kuplungpedálra (nem kell kinyomni, csak épphogy ráteszem) a rezgés és a hang is megszűnik.
Trombozis2012-10-30 09:19:33 // 132399
Először megnézem mit tud ott hátul. :-) Utána veszek egy autót bontani. :-P
Kéne még egy csavar az ajtóm zárjához is bal előre, mert eldaráltam a fejét. :-P Mérges voltam. :-)
Kéne még egy csavar az ajtóm zárjához is bal előre, mert eldaráltam a fejét. :-P Mérges voltam. :-)
gecsa2012-10-30 09:03:53 // 132398
pedig olyan aranyos kis hangjuk van..:D
mondjuk egy zár kompletten sem nagy tétel....
mondjuk egy zár kompletten sem nagy tétel....
Trombozis2012-10-30 08:43:22 // 132397
Utálom a májkrém kapcsolókat.
gecsa2012-10-30 07:38:59 // 132396
az ilyenekhez értenek a szervizekben...
GTPeti2012-10-29 21:07:54 // 132395
Pl. Erhardnál (Albaauto)
Frucsi2012-10-29 21:01:19 // 132394
ja a link.....
http://www.dorotheum.com/auktionen/auktion-9735-fahrzeuge-und-technik.html?no_cache=1&cHash=f0061aed994a77367466d059780b7fe3
http://www.dorotheum.com/auktionen/auktion-9735-fahrzeuge-und-technik.html?no_cache=1&cHash=f0061aed994a77367466d059780b7fe3
Frucsi2012-10-29 21:01:01 // 132393
Ajánlom figyelmetekbe....főleg a piros 159 vagy a gt....:D
Ládika2012-10-29 20:55:59 // 132392
Faceliftes 156-ra első alfa jelet hol tudok venni? Eléggé megkopott a régi...
Köszönöm
Köszönöm
Alfa GT-Csaba2012-10-29 19:26:45 // 132391
30 ezerből megoldották volna hogy ne sípoljon a műszerfal!!
Hardy2012-10-29 19:23:19 // 132390
Ja és kicserélnek mindent hátha. Velem kicseréltették volna a fonikuskereket közbe csak a vezeték volt elszakadva egy helyen, de erre nem ők jöttek rá!
Alfa GT-Csaba2012-10-29 19:15:04 // 132389
nem ,de miért lenne nyitva?Külön nem hiszem hogy lehet olyan kis mikro kapcsolót kapni,egész zárat meg nem volt kedvem miatta venni!egy hajlitot rézlemez van benne ami rugóként szolgál és 2db érintkező ami leoxidálódik az évek alatt.ez egy zárt műanyag házban van benne ahol sehol nem nyom semmi semmit ezért nem is értettem hogy miként érzékeli hogy nyitva vagy zárva van az ajtó,de most már nincs is ilyen gond :-)!!!3 évig csipogott a műszerfal minden indulásnál,már az agyamra ment ,és a szervizben nagylelkűen felajánlották hogy 7500+fáért nézegetik óránként mi lehet a hiba!
Hardy2012-10-29 19:08:11 // 132388
Viszont akkor nem jelez ha nyitva van nem?
Alfa GT-Csaba2012-10-29 19:04:16 // 132387
van a hátsó zárban egy mikrokapcsoló az miatt jelez be .én kiiktattam!
Frucsi2012-10-29 19:03:41 // 132386
Kábel nyisssz?:D
Hardy2012-10-29 19:01:20 // 132385
Ne csigázz, ne csigázz!
Alfa GT-Csaba2012-10-29 18:52:33 // 132384
az enyém is jelezte 3 évig és még a szakszervizbe sem jöttek rá a hibára!!Én rájöttem azóta nem jelez be :-) és soha nem is fog többet!!
Trombozis2012-10-29 18:49:27 // 132383
Ááááááááááááááááááá :-DDD
Megint jelzi, hogy nyitva a csomagtér fedél...na másodikán itt az alkalom, hogy fo...
Bal ködlámpa, rendszámtábla világítás, üzemanyag visszajelző háttérvilágítás, szélvédőre levegő fújás, ülés fűtés...mi hiányzik még? Ja téli gumi az még nincs itt.
Óóóó van még más is....ajh, de nincs kedvem ebbe a finom időben semmihez.
Megint jelzi, hogy nyitva a csomagtér fedél...na másodikán itt az alkalom, hogy fo...
Bal ködlámpa, rendszámtábla világítás, üzemanyag visszajelző háttérvilágítás, szélvédőre levegő fújás, ülés fűtés...mi hiányzik még? Ja téli gumi az még nincs itt.
Óóóó van még más is....ajh, de nincs kedvem ebbe a finom időben semmihez.
Trombozis2012-10-29 16:54:11 // 132382
Nem segített. :-/ Nem értettem én sem.
Hardy2012-10-29 16:13:14 // 132381
Nekem is párásodik ez is meg a másik is. Sőt a cégesek is. Be kell kapcsolni a légkondit, és pillanatok alatt lefújja, és már nem is párás.
Persze ez csak az időjárásból eredő párára jó, másikra nem :-)
Persze ez csak az időjárásból eredő párára jó, másikra nem :-)
Trombozis2012-10-29 11:31:25 // 132380
Majd szétszedem a konzolnál. Onnan hátha látok valamit. Úgyis ki van égve az üzemanyagos pilács.
gecsa2012-10-29 11:29:28 // 132379
illeaztéseknél jól lett összerakva? nem lehet, hogy kifújja valahol a rendszerben?
Trombozis2012-10-29 11:04:28 // 132378
Már nem tudom. Majd kimegyek megnézem.
Trombozis2012-10-29 10:56:59 // 132377
:-) Ja, de nem a tető vágom le, hanem a műszerfalat szét.
Szóval a doksi szerint. Ha jobb szélen van a tekerentyű csak akkor fújja azokon a likakon?
Áh vagy türelmetlen vagyok vagy nem tudom...7 éve megvan a kocsi és ilyeneket se tudok. :-D
Szóval a doksi szerint. Ha jobb szélen van a tekerentyű csak akkor fújja azokon a likakon?
Áh vagy türelmetlen vagyok vagy nem tudom...7 éve megvan a kocsi és ilyeneket se tudok. :-D
gecsa2012-10-29 10:20:17 // 132376
csinálsz kabriót? azzal tényleg nem lesznek párásodási gondok, csak télen kicsit hideg..:D
Trombozis2012-10-29 10:12:51 // 132375
Na mindjárt megolvasom. Sose fújja ott. Szétflexelem.
gecsa2012-10-29 09:50:32 // 132374
szétszedni könnyű...:)
Imyx2012-10-29 09:49:19 // 132373
A lábtér mellett balra, 3 db 5,5 mm-es imbusz csavart keress :). Anyázós dolog a cseréje :DD.
gecsa2012-10-29 09:39:41 // 132372
attól függ, mit,és hová állítasz..:)
Manualban van kép róla, hogy mi-mit-merre fúj..
Manualban van kép róla, hogy mi-mit-merre fúj..
Trombozis2012-10-29 09:03:15 // 132371
Na itt egy kérdés még felmerül. Ami középen van a műszerfalon az rácsos bizbasz, annak fújnia kellene a levegőt a szélvédőre, jól gondolom? Meg oldalt a két kis másiknak is. Ha? :-)
Ne kelljen már szétszednem! Áh!
Ne kelljen már szétszednem! Áh!
gecsa2012-10-29 07:54:24 // 132370
mondjuk az ablaktörlő alattit szerintem könnyebb cserélni..
tesóm grande puntojával szívtam sokat anno...:)
tesóm grande puntojával szívtam sokat anno...:)
Rizzo2012-10-29 06:52:17 // 132369
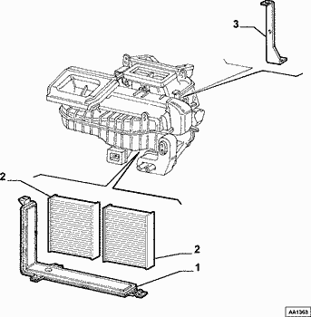
Ezt a Ferke blogjában találtam.pollenszűrő csere
Hari2012-10-28 23:20:11 // 132368
sty2012-10-28 23:05:13 // 132367
És merre találom a polenszüröt itt is a szélvédő alatti műanyag burkolat alatt van?
Hari2012-10-28 22:48:54 // 132366
A'hha! ... szeda tippje is megszívlelendő ami a fűtés reperára vonatkozik!
.... klima? Na ja! Lehet gázhiány is! ... de előbb nézd meg a fülkeszűrődet - alias: pollenszűrő - biztos nincs nagyon teletömődve?! :)
.... klima? Na ja! Lehet gázhiány is! ... de előbb nézd meg a fülkeszűrődet - alias: pollenszűrő - biztos nincs nagyon teletömődve?! :)
atosz0692012-10-28 22:48:10 // 132365
fűtéscsapod nem nyit ki, vagy csak félig nyitott ki és úgymaradt szvl szerintem azt kellesz cserélni :)
szeda2012-10-28 20:54:41 // 132364
Igen van tipp.Mindenképpen érdemes a fűtésről leszedni a motortérben a csöveket és slaggal átöblíteni.Üledékes elég keményen és megáll a radiátor aljában.ezért aztán nem melegszik át az egész, ettől nem lesz rendes meleg levegő.A klímára nincs ötletem de én vásárlás után vagy két évente mindig megcsinálom ezt minden kocsin és csodákat művel.
Trombozis2012-10-28 20:45:00 // 132363
Vannak. Van még pár ilyen hiba. :-P
Trombozis2012-10-28 20:44:37 // 132362
Ma annyira párásodott az esőben, hogy alig bírtam lefújatni. NAgyon mérges voltam. Ilyen még nem volt.
sty2012-10-28 20:29:13 // 132361
Kicseréltem a vasban a termosztátot,de utólag kiderült hogy fölöslegesen mert más miatt nincs fűtésem,a radiátorra vagy a fűtéskapcsolóra gyanakszom ,és ha így jobban belegondolok hogy a nyár vége fele gyengült a klímám teljesítménye én akkor arra gondoltam hogy fel kell majd töltetnem a klímát. De így valószínű mivel nincs rendes fűtésem és a klímám is gyengébb valószínű hogy mégis csak kapcsoló gondom lesz.Esetleg valakinek valami más tipp?
alfaszabi2012-10-28 20:15:51 // 132360
Csodák pedig vannak:))
sty2012-10-28 19:52:38 // 132359
Hali,skacok van egy használt de tökéletesen működő termosztátom 1,9Jtd-hez
Trombozis2012-10-28 18:04:00 // 132358
Ma megjavult magától a csomagtérfedél nyitását jelző ikon. :-) Most már nem figyelmeztet, hogy nyitva van. Nem égeti ki a szemem. :-) Ezzel se kell foglalkoznom.
alfaszabi2012-10-28 17:32:20 // 132357
Esetleg,ha arra járok jelentkezem!
alfaszabi2012-10-28 17:31:09 // 132356
Köszönöm szépen a válaszod!
mreni2012-10-28 16:52:31 // 132355
Egyébként nézz be a Szerelőműhely topicban,nem rég SpJani-nak is ez volt a gondja meg még pár embernek,légtömegmérő a ludas általában,de mindenképp rá kell nézni.
